Stirnraddynamikprüfstand
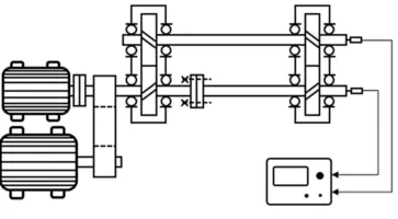
| Forschungsthemen: | Schwingungsverhalten, optimale Flankenkorrekturen und Flankengestaltung |
| Achsabstand: | a = 140 mm |
| Max. Verspannmoment: | Tmax = 2000 Nm |
| Beschleunigungsmessung: | fmax = 51,2 Hz |
| Forschungsthemen: | Schwingungsverhalten, optimale Flankenkorrekturen und Flankengestaltung |
| Achsabstand: | a = 140 mm |
| Max. Verspannmoment: | Tmax = 2000 Nm |
| Beschleunigungsmessung: | fmax = 51,2 Hz |